This controller can accommodate up to two KNX logic devices at the same time.
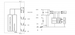
- 1. In conjunction with the WAGO-I/O-SYSTEM, the KNX IP Controller is used as a user-programmable application controller within KNX IP networks. The controller supports all digital, analog and specialty modules found within the 750/753 Series. The IEC 61131-3 programmable controller is capable of 10/100 Mbit/s data rates. KNX objects of any type (EIS/DPT) can be created using the programming tool. Libraries including pre-made function blocks are readily available on the WAGO Website for programming. The controller supports a maximum of 253 communication objects, as well as 254 group addresses and associations.
- 2. Combined with the KNX/EIB/TP1 Module, the 750?889 KNX IP Controller can operate as a router on an IP backbone (ETHERNET). No IEC application is required for router functionality.
Both devices are commissioned and configured via ETS software using the WAGO product database. The software inclu
Совершить покупку в нашем магазине легко:
- Положите нужные товары в корзину.
- Перейдите к оформлению и оставьте свои контактные данные.
- После этого наш менеджер позвонит вам, чтобы окончательно подтвердить заказ, уточнить удобный способ доставки и оплаты, а также сообщить итоговую сумму.
- Получив оплату, мы оперативно соберем и отправим ваш заказ либо подготовим к самовывозу!
Проконсультироваться по условиям оформления заказа можно по телефону: +7 (800) 333-76-73 (или +7 (966) 263-66-30) с 10:00 до 19:00 (по Московскому времени) или по электронной почте: sale@ural-micro.ru.
Оплата производится по счету, который выставляет менеджер интернет-магазина.
Важно! Срок оплаты счета – до 3 (Трех) календарных дней. Возможно продление периода оплаты счета. Для этого необходимо связаться с менеджером интернет-магазина.
Товар отгружается после поступления денежных средств на счет компании.
Менеджер обработает и подтвердит заказ, выставит счёт на оплату по электронной почте или другим удобным способом.
Проконсультироваться по условиям оплаты можно по телефону: +7 (800) 333-76-73 (или +7 (966) 263-66-30) с 10:00 до 19:00 (по Московскому времени) или по электронной почте: sale@ural-micro.ru.
Привезем в удобное время и место с понедельника по пятницу
Cтоимость: до 5000 руб. - 690 рублей; от 5000 рублей - бесплатно.
Самовывоз со склада в городе Екатеринбург:
Самовывоз возможен только после подтверждения менеджером интернет-магазина готовности товара к отгрузке!
Уважаемые клиенты, не тратьте, пожалуйста, свое драгоценное время, Не приезжайте на склад без оформленного заказа.
Адрес склада для самовывоза: 620089, Свердловская область, город Екатеринбург, улица Луганская, дом 59/2ж.
Курьерская доставка:
Мы готовы подстроится под Вас и воспользоваться удобной для Вас курьерской службой.
Проконсультироваться по условиям доставки можно по телефону: +7 (800) 333-76-73 (или +7 (966) 263-66-30) с 10:00 до 19:00 (по Московскому времени) или по электронной почте: sale@ural-micro.ru.
Настоящие условия доставки не являются публичной офертой.Интернет-магазин uralmicrocircuits.ru осуществляет гарантийное обслуживание купленных в интернет-магазине товаров.
Для проведения гарантийного обслуживания клиенту необходимо написать на почту uralmicrocircuits.ru и предоставить товар и платежное поручение, подтверждающий его покупку.
На весь товар интернет-магазина uralmicrocircuits.ru распространяются условия фирменных гарантий производителей.
Клиент предоставляет товар нам, мы при необходимости отправляем на экспертизу производителю.
Фирменная гарантия производителя распространяется на подавляющее большинство представленных в каталоге позиций.
Сроки и условия фирменной гарантии указаны в гарантийном талоне либо на отдельной странице инструкции по эксплуатации.
После тестирования изделие будет принято к обслуживанию и товар будет заменен.
Причины отказа в гарантийном обслуживании:
- Следы механического воздействия, несанкционированного вскрытия, влаги, коррозии на оборудовании;
- Отсутствие заводского номера на оборудовании, невозможность его идентифицировать;
- Несовпадение серийного номера оборудования и серийного номера, указанного на коробке и в чеке.
Проконсультироваться по условиям гарантии на товар можно по телефону: +7 (800) 333-76-73 (или +7 (966) 263-66-30) с 10:00 до 19:00 (по Московскому времени) или по электронной почте: sale@ural-micro.ru.
Настоящие условия гарантии на товар не являются публичной офертой.