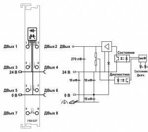
Подключенная нагрузка переключается системой управления через дискретный выход.
Все выходы оснащены электронной защитой от короткого замыкания.
В дополнение к функциям, которые могут выполняться стандартными модулями вывода, эти модули вывода могут распознавать короткое замыкание или разомкнутую цепь. Об ошибке сообщается визуально с помощью светодиодного индикатора ошибки, а также устанавливается соответствующий бит в образе процесса.
У модуля есть восемь выходных каналов, и к нему может быть подключено восемь исполнительных механизмов.
Полевой и системный уровень электрически изолированы друг от друга.
Совершить покупку в нашем магазине легко:
- Положите нужные товары в корзину.
- Перейдите к оформлению и оставьте свои контактные данные.
- После этого наш менеджер позвонит вам, чтобы окончательно подтвердить заказ, уточнить удобный способ доставки и оплаты, а также сообщить итоговую сумму.
- Получив оплату, мы оперативно соберем и отправим ваш заказ либо подготовим к самовывозу!
Проконсультироваться по условиям оформления заказа можно по телефону: +7 (800) 333-76-73 (или +7 (966) 263-66-30) с 10:00 до 19:00 (по Московскому времени) или по электронной почте: sale@ural-micro.ru.
Оплата производится по счету, который выставляет менеджер интернет-магазина.
Важно! Срок оплаты счета – до 3 (Трех) календарных дней. Возможно продление периода оплаты счета. Для этого необходимо связаться с менеджером интернет-магазина.
Товар отгружается после поступления денежных средств на счет компании.
Менеджер обработает и подтвердит заказ, выставит счёт на оплату по электронной почте или другим удобным способом.
Проконсультироваться по условиям оплаты можно по телефону: +7 (800) 333-76-73 (или +7 (966) 263-66-30) с 10:00 до 19:00 (по Московскому времени) или по электронной почте: sale@ural-micro.ru.
Привезем в удобное время и место с понедельника по пятницу
Cтоимость: до 5000 руб. - 690 рублей; от 5000 рублей - бесплатно.
Самовывоз со склада в городе Екатеринбург:
Самовывоз возможен только после подтверждения менеджером интернет-магазина готовности товара к отгрузке!
Уважаемые клиенты, не тратьте, пожалуйста, свое драгоценное время, Не приезжайте на склад без оформленного заказа.
Адрес склада для самовывоза: 620089, Свердловская область, город Екатеринбург, улица Луганская, дом 59/2ж.
Курьерская доставка:
Мы готовы подстроится под Вас и воспользоваться удобной для Вас курьерской службой.
Проконсультироваться по условиям доставки можно по телефону: +7 (800) 333-76-73 (или +7 (966) 263-66-30) с 10:00 до 19:00 (по Московскому времени) или по электронной почте: sale@ural-micro.ru.
Настоящие условия доставки не являются публичной офертой.Интернет-магазин uralmicrocircuits.ru осуществляет гарантийное обслуживание купленных в интернет-магазине товаров.
Для проведения гарантийного обслуживания клиенту необходимо написать на почту uralmicrocircuits.ru и предоставить товар и платежное поручение, подтверждающий его покупку.
На весь товар интернет-магазина uralmicrocircuits.ru распространяются условия фирменных гарантий производителей.
Клиент предоставляет товар нам, мы при необходимости отправляем на экспертизу производителю.
Фирменная гарантия производителя распространяется на подавляющее большинство представленных в каталоге позиций.
Сроки и условия фирменной гарантии указаны в гарантийном талоне либо на отдельной странице инструкции по эксплуатации.
После тестирования изделие будет принято к обслуживанию и товар будет заменен.
Причины отказа в гарантийном обслуживании:
- Следы механического воздействия, несанкционированного вскрытия, влаги, коррозии на оборудовании;
- Отсутствие заводского номера на оборудовании, невозможность его идентифицировать;
- Несовпадение серийного номера оборудования и серийного номера, указанного на коробке и в чеке.
Проконсультироваться по условиям гарантии на товар можно по телефону: +7 (800) 333-76-73 (или +7 (966) 263-66-30) с 10:00 до 19:00 (по Московскому времени) или по электронной почте: sale@ural-micro.ru.
Настоящие условия гарантии на товар не являются публичной офертой.