УралМикроСхемы
Интернет-магазин представительского класса
Каталог
По всему сайту
По каталогу
+7 (800) 333-76-73
+7 (800) 333-76-73
+7 (966) 263-66-30
sale@ural-micro.ru
Заказать звонок
Задать вопрос
Войти
  • Корзина0
sale@ural-micro.ru
г. Екатеринбург
+7 (800) 333-76-73
+7 (800) 333-76-73
+7 (966) 263-66-30
sale@ural-micro.ru
Заказать звонок
Войти
Корзина 0
УралМикроСхемы
Каталог
  • Клеммы на DIN-рейку
    Клеммы на DIN-рейку
    • Проходные (проводные)
    • Многоуровневые
    • Клеммы для монтажа на плоскость
    • Серия TOPJOBS
    • Серия CAGE CLAMP (классическая серия клемм)
    • Серия X-COM
    • С заземлением
  • Клеммы на печатную плату
    Клеммы на печатную плату
  • Электромонтажные клеммы
    Электромонтажные клеммы
  • Разъемы и штекеры
    Разъемы и штекеры
  • Клеммы для светильников
    Клеммы для светильников
  • Автоматизация
    Автоматизация
  • Электронные компоненты
    Электронные компоненты
  • Инструменты для монтажа
    Инструменты для монтажа
  • Кнопки и переключатели
    Кнопки и переключатели
    • Кнопки
    • Кулачковые переключатели
    • Фурнитура для переключателей
  • Светосигнальное оборудование
    Светосигнальное оборудование
    • Сигнальные лампы
  • Плавкие вставки
    Плавкие вставки
    • Цилиндрический предохранитель
  • Клеммы и разъемы
    Клеммы и разъемы
    • Клеммы
    • Разъемы
    • Клеммы для печатных плат
    • Фурнитура для клемм и разъемов
  • Шкафы
    Шкафы
    • Пластиковые шкафы
    • Распределительная коробка
      • корпус для монтажа на стене и на потолке
    • Климатическое оборудование
    • Вентилятор распределительного шкафа
    • Фурнитура для распределительных шкафов
  • Розетки и выключатели
    Розетки и выключатели
    • Промышленные вилки с розетками
    • Термостат
    • Фурнитура для розеток
    • Розетка модульная для распределительных щитов
  • Релейное оборудование
    Релейное оборудование
    • Диодные модули
    • Комбинированное реле
    • Промежуточные реле
    • Анализаторы электроэнергии
    • Преобразователи сигналов
    • Реле контроля напряжения
    • Реле контроля уровня жидкости
    • Интерфейсные модули
    • Фотореле
    • Таймеры
    • Розетки для реле
    • Реле времени
    • Фурнитура для реле
    • Датчики
    • +  ЕЩЕ 4
  • Трансформаторы
    Трансформаторы
  • Блоки питания
    Блоки питания
  • Инструмент и оснастка
    Инструмент и оснастка
    • Термоусадка
    • Кабельные стяжки
    • Другой инструмент
    • Тестеры и мультиметры
    • Наборы инструментов
    • Кабельные наконечники
    • Обжимной инструмент
    • Прочая фурнитура
    • Отвертки
    • Режущий инструмент
    • Инструменты для снятия изоляции
    • Шины питания
    • Din-рейки
    • +  ЕЩЕ 3
  • Автоматизация и Ethernet
    Автоматизация и Ethernet
    • Модуль контроля
    • Коммутаторы
    • Оборуд. Автоматиз. Зданий.
    • Шлюзы
    • Регуляторы реактивной мощности
    • Контроллеры
    • Модули ввода-вывода
  • Маркировка
    Маркировка
    • Маркировка клемм
    • Маркировка проводов и кабелей
    • Маркировка оборудования
    • Принтеры и аксессуары
    • Фурнитура для маркировки
  • Кабельные каналы и кабельные лотки
    Кабельные каналы и кабельные лотки
    • Кабельные каналы
      • короба
    • Кабельные лотки
      • лестницы
    • Кабельный ввод
    • Фурнитура для кабельных каналов
  • Электронные компоненты, радиодетали
    • Полупроводниковые модули
      • Силовые IGBT и SiC модули
Бренды
Как купить
  • Условия оплаты
  • Условия доставки
  • Гарантия на товар
О компании
  • О компании
  • Реквизиты
  • Правовые документы
Контакты
+  ЕЩЕ
    УралМикроСхемы
    Корзина 0
    УралМикроСхемы
    Корзина 0
    Телефоны
    +7 (800) 333-76-73
    +7 (966) 263-66-30
    sale@ural-micro.ru
    Заказать звонок
    • Личный кабинет
    • Корзина0
    • +7 (800) 333-76-73
      • Назад
      • Телефоны
      • +7 (800) 333-76-73
      • +7 (966) 263-66-30
      • sale@ural-micro.ru
      • Заказать звонок
    Контактная информация
    г. Екатеринбург
    sale@ural-micro.ru

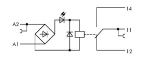
    859-353 Релейный модуль; Номинальное входное напряжение: 12 В перем./пост.тока; 1 перекл. контакт; Красный индикатор состояния; Ширина модуля: 6 мм

    Главная
    —
    Каталог
    —
    Электронные компоненты
    Клеммы и разъемыЭлектронные компоненты, радиодеталиКабельные каналы и кабельные лоткиМаркировкаАвтоматизация и EthernetИнструмент и оснасткаБлоки питанияТрансформаторыРелейное оборудованиеРозетки и выключателиШкафыКлеммы на DIN-рейкуПлавкие вставкиСветосигнальное оборудованиеКнопки и переключателиИнструменты для монтажаАвтоматизацияКлеммы для светильниковРазъемы и штекерыЭлектромонтажные клеммыКлеммы на печатную плату
    —859-353 Релейный модуль; Номинальное входное напряжение: 12 В перем./пост.тока; 1 перекл. контакт; Красный индикатор состояния; Ширина модуля: 6 мм
    859-353 Релейный модуль; Номинальное входное напряжение: 12 В перем./пост.тока; 1 перекл. контакт; Красный индикатор состояния; Ширина модуля: 6 мм
    859-353 Релейный модуль; Номинальное входное напряжение: 12 В перем./пост.тока; 1 перекл. контакт; Красный индикатор состояния; Ширина модуля: 6 мм
    859-353 Релейный модуль; Номинальное входное напряжение: 12 В перем./пост.тока; 1 перекл. контакт; Красный индикатор состояния; Ширина модуля: 6 мм
    859-353 Релейный модуль; Номинальное входное напряжение: 12 В перем./пост.тока; 1 перекл. контакт; Красный индикатор состояния; Ширина модуля: 6 мм
    859-353 Релейный модуль; Номинальное входное напряжение: 12 В перем./пост.тока; 1 перекл. контакт; Красный индикатор состояния; Ширина модуля: 6 мм
    859-353 Релейный модуль; Номинальное входное напряжение: 12 В перем./пост.тока; 1 перекл. контакт; Красный индикатор состояния; Ширина модуля: 6 мм
    859-353 Релейный модуль; Номинальное входное напряжение: 12 В перем./пост.тока; 1 перекл. контакт; Красный индикатор состояния; Ширина модуля: 6 мм
    859-353 Релейный модуль; Номинальное входное напряжение: 12 В перем./пост.тока; 1 перекл. контакт; Красный индикатор состояния; Ширина модуля: 6 мм
    Артикул: 859-353
    Wago
    Характеристики
    Высота (H), мм
    —
    56 mm / 2.205 inch
    Длина (L), мм
    —
    91 mm / 3.583 inch
    Все характеристики
    2 950 ₽/шт
    Варианты цен
    2 950 ₽/шт
    Подробности
    Под заказ
    Наши менеджеры обязательно свяжутся с вами и уточнят условия заказа
    Изображение товара может отличаться в реальности.
    Описание

    Примечание:
    ?

    Примечание: индуктивные нагрузки должны быть снижены с помощью соответствующей схемы защиты для обеспечения защиты катушек реле и контактов.

    Характеристики
    Высота (H), мм
    56 mm / 2.205 inch
    Длина (L), мм
    91 mm / 3.583 inch
    Ширина (W), мм
    6 mm / 0.236 inch
    Вес, г
    22.7g
    Как купить

    Совершить покупку в нашем магазине легко:

    • Положите нужные товары в корзину.
    • Перейдите к оформлению и оставьте свои контактные данные.
    • После этого наш менеджер позвонит вам, чтобы окончательно подтвердить заказ, уточнить удобный способ доставки и оплаты, а также сообщить итоговую сумму.
    • Получив оплату, мы оперативно соберем и отправим ваш заказ либо подготовим к самовывозу!

    Проконсультироваться по условиям оформления заказа можно по телефону: +7 (800) 333-76-73 (или +7 (966) 263-66-30) с 10:00 до 19:00 (по Московскому времени) или по электронной почте: sale@ural-micro.ru.

    Оплата
    Безналичный расчет для юридических лиц:

    Оплата производится по счету, который выставляет менеджер интернет-магазина.

    Важно! Срок оплаты счета – до 3 (Трех) календарных дней. Возможно продление периода оплаты счета. Для этого необходимо связаться с менеджером интернет-магазина.

    Товар отгружается после поступления денежных средств на счет компании.

    Менеджер обработает и подтвердит заказ, выставит счёт на оплату по электронной почте или другим удобным способом.

    Проконсультироваться по условиям оплаты можно по телефону: +7 (800) 333-76-73 (или +7 (966) 263-66-30) с 10:00 до 19:00 (по Московскому времени) или по электронной почте: sale@ural-micro.ru.

    Доставка
    Доставка по городу Екатеринбург:
    Привезем в удобное время и место с понедельника по пятницу
    Cтоимость: до 5000 руб. - 690 рублей; от 5000 рублей - бесплатно.

    Самовывоз со склада в городе Екатеринбург:
    Самовывоз возможен только после подтверждения менеджером интернет-магазина готовности товара к отгрузке!
    Уважаемые клиенты, не тратьте, пожалуйста, свое драгоценное время, Не приезжайте на склад без оформленного заказа.
    Адрес склада для самовывоза: 620089, Свердловская область, город Екатеринбург, улица Луганская, дом 59/2ж.

    Курьерская доставка:
    Мы готовы подстроится под Вас и воспользоваться удобной для Вас курьерской службой.

    Проконсультироваться по условиям доставки можно по телефону: +7 (800) 333-76-73 (или +7 (966) 263-66-30) с 10:00 до 19:00 (по Московскому времени) или по электронной почте: sale@ural-micro.ru.

    Настоящие условия доставки не являются публичной офертой.
    Гарантия
    Гарантийное обслуживание в uralmicrocircuits.ru:
    Интернет-магазин uralmicrocircuits.ru осуществляет гарантийное обслуживание купленных в интернет-магазине товаров.
    Для проведения гарантийного обслуживания клиенту необходимо написать на почту uralmicrocircuits.ru и предоставить товар и платежное поручение, подтверждающий его покупку.
    На весь товар интернет-магазина uralmicrocircuits.ru распространяются условия фирменных гарантий производителей.
    Клиент предоставляет товар нам, мы при необходимости отправляем на экспертизу производителю.
    Фирменная гарантия производителя распространяется на подавляющее большинство представленных в каталоге позиций.
    Сроки и условия фирменной гарантии указаны в гарантийном талоне либо на отдельной странице инструкции по эксплуатации.
    После тестирования изделие будет принято к обслуживанию и товар будет заменен.

    Причины отказа в гарантийном обслуживании:
    - Следы механического воздействия, несанкционированного вскрытия, влаги, коррозии на оборудовании;
    - Отсутствие заводского номера на оборудовании, невозможность его идентифицировать;
    - Несовпадение серийного номера оборудования и серийного номера, указанного на коробке и в чеке.

    Проконсультироваться по условиям гарантии на товар можно по телефону: +7 (800) 333-76-73 (или +7 (966) 263-66-30) с 10:00 до 19:00 (по Московскому времени) или по электронной почте: sale@ural-micro.ru.

    Настоящие условия гарантии на товар не являются публичной офертой.
    Wago
    Все товары категории
    Все товары бренда Wago

    Нужна консультация?

    Наши специалисты ответят на любой интересующий вопрос
    Задать вопрос
    Каталог
    Бренды
    Компания
    О компании
    Реквизиты
    Правовые документы
    Как купить
    Условия оплаты
    Условия доставки
    Гарантия на товар
    Документы
    Политика обработки персональных данных
    Пользовательское соглашение
    Политика конфиденциальности
    +7 (800) 333-76-73
    +7 (800) 333-76-73
    +7 (966) 263-66-30
    sale@ural-micro.ru
    sale@ural-micro.ru
    г. Екатеринбург
    Информация, предоставленная на сайте, носит информационный характер и не является публичной офертой, определяемой положениями ст. 437 Гражданского кодекса Российской Федерации. Компания оставляет за собой право в любое время вносить любые изменения в данные предложения без предварительного уведомления. Информацию о всех действующих предложениях и ценах необходимо уточнять у менеджеров Компании.


    ООО «УралМикроСхемы», 2024-2026 ©

    Каталог
    По всему сайту
    По каталогу